Roue d'immobilisation avec pied mécanique intégré | Machines Production

Roue d’immobilisation avec pied mécanique intégré

lire plus tard
Fiche produit

Description


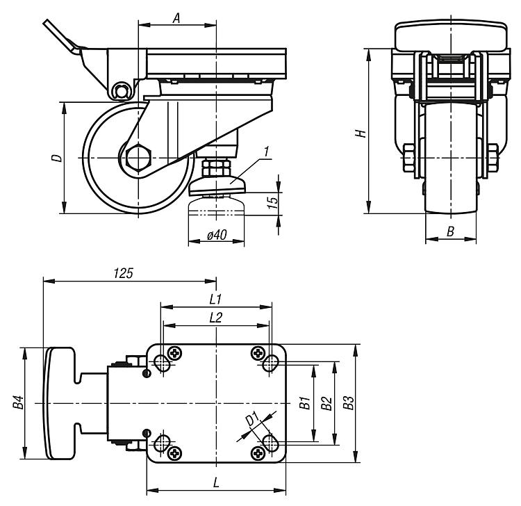
Matière : Corps en tôle d’acier.
Roue en polyamide résistant à la rupture 6, 70° Shore D.
Pied mécanique en acier.

Finition : Corps zingué et bleu passivé.
Roue blanche.
Pied mécanique zingué avec support en caoutchouc gris.

Nota : Roue de levage, version roue orientable avec pied mécanique réglable intégré. Roulement à billes étanche situé dans la couronne de pivotement. Axe vissé. Facilité d’utilisation grâce au levier de commande ergonomique dont l’orientation est indépendante de celle de la roue. Grâce à sa petite course d’actionnement qui produit un déplacement important du poussoir et une force de levage élevée, ce levier permet de soulever des dispositifs lourds et de les fixer en toute sécurité.

Tarif

Non mentionné

Téléchargements

 95092_Datasheet_16506_Roue_d_immobilisation_avec_pied_m_canique_int_gr_-fr

5, rue des Libellules
10280 FONTAINE LES GRES

03 25 71 89 30

Plus d'infos ou devis

 J'accepte que mes coordonnées soient transmises à l'entreprise présentée sur cette page ainsi que mon message lié
Créez votre fiche produit Créer gratuitement votre fiche produit
Logo Machines Production
Math Captcha :    -