Raccords rigides serrage par vis sans tête | Machines Production

Raccords rigides serrage par vis sans tête

lire plus tard
Fiche produit

Description


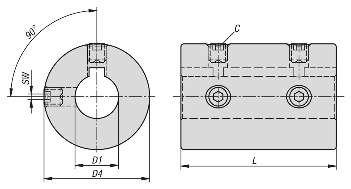
Les raccords rigides permettent de transmettre des couples élevés sans torsion et sans jeu. Ils sont utilisés en l’absence de déplacements d’arbre ou d’erreurs d’alignement. Sans usure ni entretien. La transmission du couple nominal max. ne peut être atteinte qu’en cas de montage parfait et de respect des cotes des arbres. Vitesse de rotation max. 4 000 tr/min.

Les raccords rigides possèdent des vis sans tête pour permettre leur fixation sur l’arbre en un point précis.

Forme B : Avec rainure de clavette DIN 6885/1 tolérance P9.

Caractéristiques techniques

Matière
Acier.
Inox 1.4305.

Finition
Acier : bruni. Inox : naturel.

Tarif

Non mentionné

Téléchargements

 23049-Datasheet-35894-Raccords-rigides-Serrage-par-vis-sans-t-te-fr

5, rue des Libellules
10280 FONTAINE LES GRES

03 25 71 89 30

Plus d'infos ou devis

 J'accepte que mes coordonnées soient transmises à l'entreprise présentée sur cette page ainsi que mon message lié
Créez votre fiche produit Créer gratuitement votre fiche produit
Logo Machines Production
Math Captcha :    -