Mandrin de précision, mandrin manuel | Machines Production

Mandrin de précision, mandrin manuel

lire plus tard
Fiche produit

Description


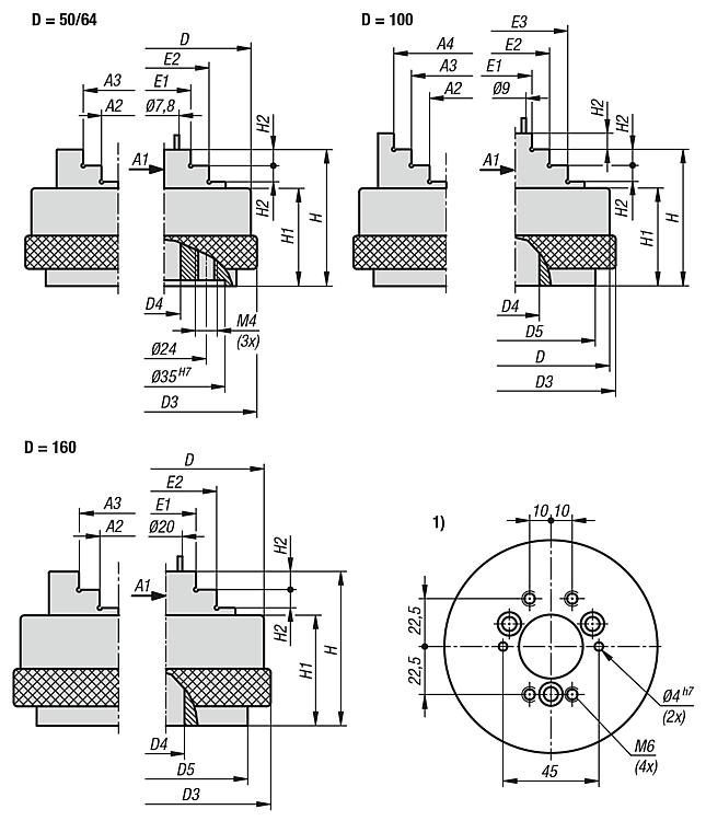
Matière : Corps de base et mors en acier.
À partir du Ø100, corps de base en aluminium, mors en acier.

Finition : Corps de base naturel, mors trempés, naturels.
À partir du Ø100, corps de base anodisé dur, mors trempés, naturels.

Nota : Ces mandrins sont spécialement conçus pour les applications nécessitant une force de serrage faible mais une précision élevée. Pour le serrage interne ou externe de pièces cylindriques. Le serrage de la pièce s’effectue en tournant simplement la bague de serrage à la main ou à l’aide de la poignée fournie. Les mors de serrage trempés ont des configurations à paliers vers l’extérieur et sont réversibles. Pour l’inversion, chaque mors de serrage est marqué avec deux numéros. Le numéro indiqué sur le mors de serrage à l’extérieur doit coïncider avec le numéro sur le corps de base.

Caractéristiques techniques

Mandrins D=50 avec outil de réglage et trois broches chacun (Ø 2 mm) d'une longueur de 12 ou 18 mm.
Mandrins D=64 avec outil de réglage et trois broches chacun (Ø 2 mm) d'une longueur de 12 ou 18 mm.
Mandrins D=104 avec outil de réglage et trois broches chacun (Ø 3 mm) d'une longueur de 12, 18 ou 24 mm.
Mandrins D=160 avec outil de réglage et trois broches chacun (Ø 4 mm) d'une longueur de 18 ou 24 mm.

Les broches peuvent être emmanchées sur la face supérieure du mors et permettent un serrage augmenté des petites pièces. Les broches peuvent être démontées.

Concentricité < 0,03 mm Planéité < 0,01 mm Répétabilité < 0,01 mm

Tarif

Non mentionné

Téléchargements

 33226_Datasheet_21896_Mandrin_de_pr_cision_mandrin_manuel-fr

5, rue des Libellules
10280 FONTAINE LES GRES

03 25 71 89 30

Plus d'infos ou devis

 J'accepte que mes coordonnées soient transmises à l'entreprise présentée sur cette page ainsi que mon message lié
Créez votre fiche produit Créer gratuitement votre fiche produit
Logo Machines Production
Math Captcha :    -