Bagues d’arrêt fendues en acier ou en inox, internes avec surface d’appui | Machines Production

Bagues d’arrêt fendues en acier ou en inox, internes avec surface d’appui

lire plus tard
Atelier Fiche produit

Description


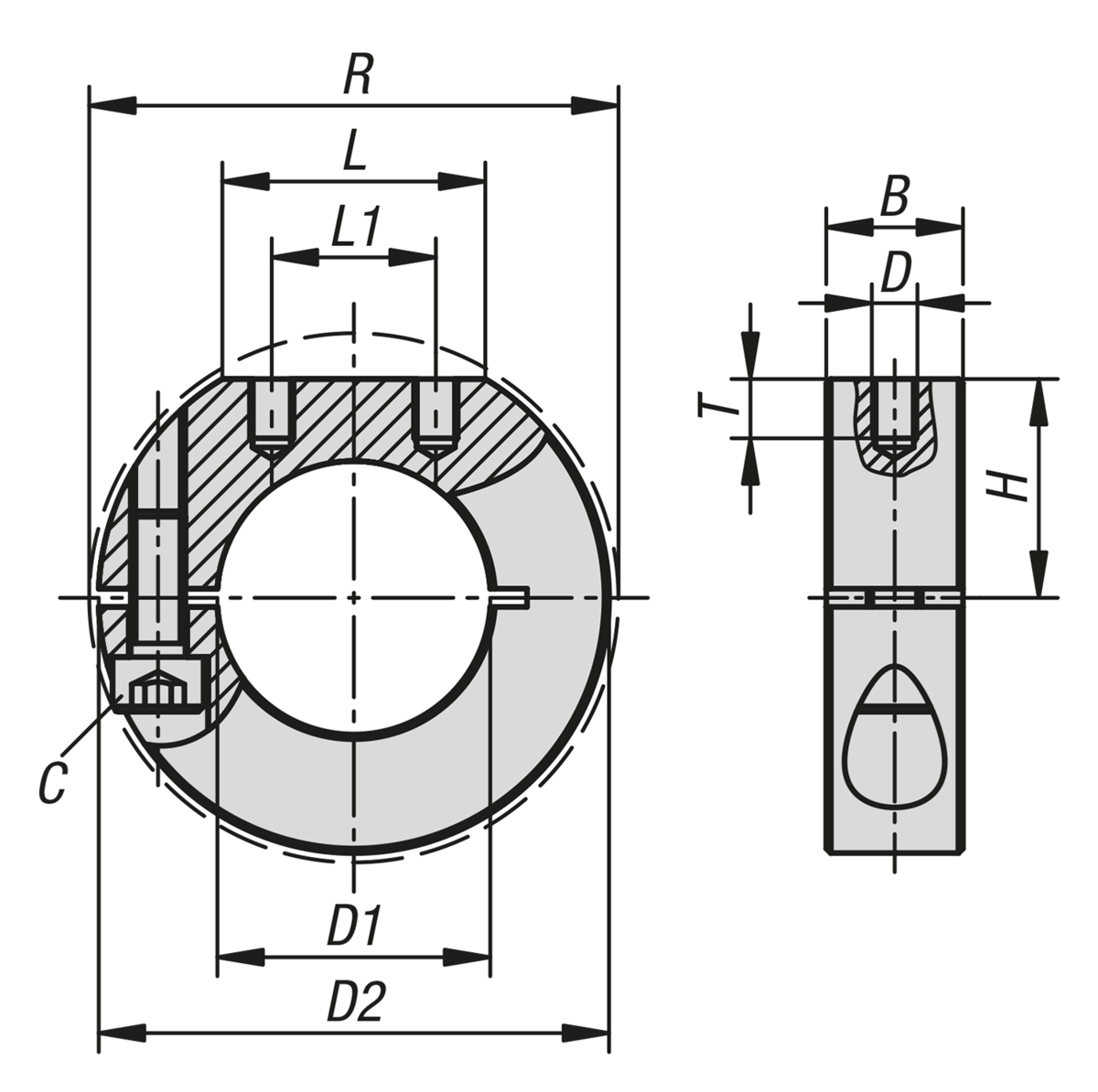
Les bagues d’arrêt fendues, internes avec surface d’appui, entourent l’arbre en assurant une répartition homogène des forces de serrage. Elles épousent ainsi parfaitement l’arbre et permettent des forces de maintien très importantes sans endommager ce dernier.

Caractéristiques techniques

Matière
Acier.
Inox 1.4305.

Finition
Acier : bruni. Inox : naturel.

Nota
La tolérance de l’arbre doit être en h11.

Le taraudage de montage des bagues d’arrêt fendues permet de fixer d’autres éléments tels que des leviers de commande ou des cames sur des arbres et des axes. Elles peuvent être montées facilement et en toute sécurité avec une force de serrage importante en réduisant la hauteur des fentes, sans endommager la surface des arbres et des axes.

Tarif

Non mentionné

Téléchargements

 07810-03-Datasheet-34418-Bagues-d-arr-t-fendues-en-acier-ou-en-inox-internes-avec-surface-d-appui-fr

5, rue des Libellules
10280 FONTAINE LES GRES

03 25 71 89 30

Plus d'infos ou devis

 J'accepte que mes coordonnées soient transmises à l'entreprise présentée sur cette page ainsi que mon message lié
Créez votre fiche produit Créer gratuitement votre fiche produit
Logo Machines Production
Math Captcha :    -