Appui intermédiaire pour crochet de bridage | Machines Production

Appui intermédiaire pour crochet de bridage

lire plus tard
Fiche produit

Description


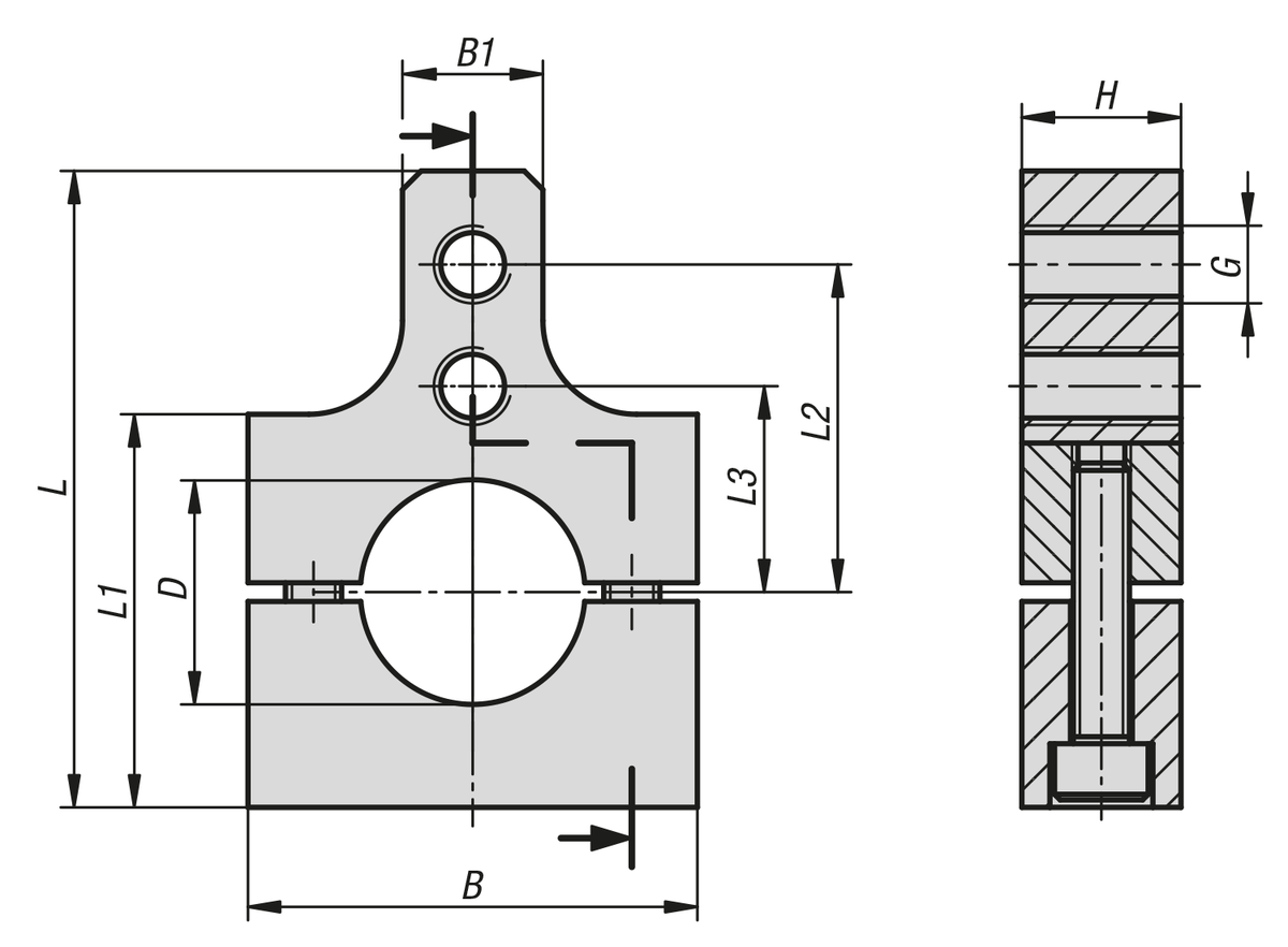
L’appui intermédiaire pour crochets de bridage peut être monté directement sur l’élément de bridage comme support intermédiaire.
Grâce à la fixation de l’appui intermédiaire sur l’élément de bridage, la pièce à usiner peut être supportée de manière particulièrement peu encombrante dans les contours de la pièce.

Caractéristiques techniques

Matière
Acier de traitement.
Finition
Bruni.
Nota
Cet appui intermédiaire doit être fixé à l’aide des vis CHC M6 10.9 fournies avant utilisation.
Contenu de la livraison
1x corps de base
2x vis CHC M6 10.9

Tarif

Non mentionné

Téléchargements

 04378-50-Datasheet-35480-Appui-interm-diaire-pour-crochet-de-bridage-fr

5, rue des Libellules
10280 FONTAINE LES GRES

03 25 71 89 30

Plus d'infos ou devis

 J'accepte que mes coordonnées soient transmises à l'entreprise présentée sur cette page ainsi que mon message lié
Créez votre fiche produit Créer gratuitement votre fiche produit
Logo Machines Production
Math Captcha :    -